Online sinds 2006 – Vertrouwde ervaring
Meer dan 100.000 artikelen – Groot assortiment
Levering uit eigen voorraad – Snelle verzending
Gratis verzending bij €120+

effect Houten fotolijst Profil 58 antikzilver 9x13 cm met museumglas

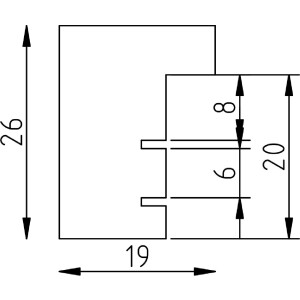
Massief hout, diep blokprofiel 1,9 cm, geslagen leisten, museumglas met 70% UV-bescherming, afhangbaar en opvouwbare standaard, ideaal voor kunstwerken en foto's, maat 9x13 cm
Kleur 
Soort Glas 
Afmeting Fotolijst 

8,25 €
incl. 21% BTW , plus Verzending