Online sinds 2006 – Vertrouwde ervaring
Meer dan 100.000 artikelen – Groot assortiment
Levering uit eigen voorraad – Snelle verzending
Gratis verzending bij €120+

effect Houten fotolijst Profil 58 antikzilver 23x70 cm met museumglas

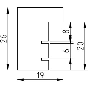
Massief hout, diepe blokprofiel 1,9 cm, gesierd met folie, museumglas met 70% UV-bescherming, panoramaformaat 23x70 cm, geschikt voor wandmontage
Kleur 
Soort Glas 
Afmeting Fotolijst 

80,95 €
incl. 21% BTW , plus Verzending