Online sinds 2006 – Vertrouwde ervaring
Meer dan 100.000 artikelen – Groot assortiment
Levering uit eigen voorraad – Snelle verzending
Gratis verzending bij €120+

effect houten fotolijst Profil 51 antikgoud 40x60 cm acrylglaas

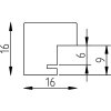
Massief houten profiel met afgeronde hoeken, antiek goud foliebeleg, acrylglaas met UV-bescherming en antireflexlaag, geschikt voor wandschroefmontage
Kleur 
Soort Glas 
Afmeting Fotolijst 

88,85 €
incl. 21% BTW , plus Verzending