Online sinds 2006 – Vertrouwde ervaring
Meer dan 100.000 artikelen – Groot assortiment
Levering uit eigen voorraad – Snelle verzending
Gratis verzending bij €120+

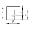
Effect Houten Fotolijst Profil 2330 Eiken 21x28 cm met Museumsglas

Massieve eikenhouten fotolijst met kubusvormig profiel, openporige oppervlakte, Museumsglas met 70% UV-bescherming, minimalistisch ontwerp, geschikt voor wandmontage, voor woon- en kantoormilieu
Kleur 
Glassoort 
Maat 

47,10 €
incl. 21% BTW , plus Verzending