Online sinds 2006 – Vertrouwde ervaring
Meer dan 100.000 artikelen – Groot assortiment
Levering uit eigen voorraad – Snelle verzending
Gratis verzending bij €120+

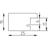
Effect Houten Fotolijst Profiel Top Pro rood 40x50 cm kunstglas

Hoge kwaliteit massief hout, stijlvol 6-kante gelakt rood profiel, kunstglas met antireflex en UV-scherm, geschikt voor wandmontage, duurzaam en elegant voor moderne of klassieke ruimtes
Kleur 
Glastype 
Maat 

57,80 €
incl. 21% BTW , plus Verzending