Online sinds 2006 – Vertrouwde ervaring
Meer dan 100.000 artikelen – Groot assortiment
Levering uit eigen voorraad – Snelle verzending
Gratis verzending bij €150+

Effect Houten Fotolijst Profiel neonrood 10,5x14,8 cm Klarglas

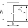
Massief hout, neonrood profiel, 10,5x14,8 cm, lijstbreedte 1,3 cm, klarglas, opstelmechanisme, tafel- of muurmontage, modern en robuust, ideaal voor dagelijkse gebruik
Kleur 
Glassoort 
Lijstformaat 

25,45 €
incl. BTW , plus Verzending