Online sinds 2006 – Vertrouwde ervaring
Meer dan 100.000 artikelen – Groot assortiment
Levering uit eigen voorraad – Snelle verzending
Gratis verzending bij €150+

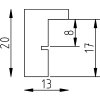
Effect Houten Fotolijst Profiel Neongroen 13x13 cm met Acrylglas

Massief hout, neongroen profiel, acrylglas met anti-reflectie en UV-bescherming, 13x13 cm, ruggenplaat met opstelmechanisme, verticaal of horizontaal gebruikt
Kleur 
Glassoort 
Lijstformaat 

27,35 €
incl. BTW , plus Verzending