Online sinds 2006 – Vertrouwde ervaring
Meer dan 100.000 artikelen – Groot assortiment
Levering uit eigen voorraad – Snelle verzending
Gratis verzending bij €150+

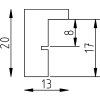
Effect houten fotolijst neonroze 7x10 cm met antireflexglas

Massief hout, neonroze kleur, antireflexglas, 7x10 cm formaat, 1,3 cm leistenbreedte, rugwand met opstelbeugel, moderne minimalistische stijl, geschikt voor hangen of opstellen
Kleur 
Glassoort 
Lijstformaat 

21,85 €
incl. BTW , plus Verzending