Online sinds 2006 – Vertrouwde ervaring
Meer dan 100.000 artikelen – Groot assortiment
Levering uit eigen voorraad – Snelle verzending
Gratis verzending bij €150+

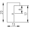
Effect Houten Fotolijst Neon Groen 20x25 cm met Acrylglas

Massief houten fotolijst, neongroen, 20x25 cm, lijstbreedte 1,3 cm, acrylglas met anti-reflexlaag en UV-bescherming, geïntegreerd voor wandmontage, moderne interieurs
Kleur 
Glassoort 
Lijstformaat 

31,75 €
incl. BTW , plus Verzending