Online sinds 2006 – Vertrouwde ervaring
Meer dan 100.000 artikelen – Groot assortiment
Levering uit eigen voorraad – Snelle verzending
Gratis verzending bij €120+

Effect houten fotolijst flieder 18x32 cm kunstglas

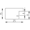
Hoge kwaliteit massief hout met zichtbare structuur, minimalistisch hoekig profiel 2,5 cm, kleur flieder, 6-laags gelakt volgens EU, kunstglas met UV-bescherming, enzijdige anti-reflectie, wandmonteerbaar, geschikt voor hoog- en breedformaat
Kleur 
Glastype 
Maat 

37,75 €
incl. 21% BTW , plus Verzending