Online sinds 2006 – Vertrouwde ervaring
Meer dan 100.000 artikelen – Groot assortiment
Levering uit eigen voorraad – Snelle verzending
Gratis verzending bij €150+

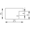
Effect Holzrahmen Profil Top Pro zilver 25x60 cm wandhanger met antireflexglas

Massief hout met zichtbare houtstructuur en gladde oppervlakte, kantig minimalistisch profiel 2,5 cm, antireflexglas voor scherpe weergave, geïntegreerd wandmontage, foliebekleding voor stijlvol en robuust design
Kleur 
Glastype 
Maat 

49,20 €
incl. BTW , plus Verzending