Online sinds 2006 – Vertrouwde ervaring
Meer dan 100.000 artikelen – Groot assortiment
Levering uit eigen voorraad – Snelle verzending
Gratis verzending bij €120+

Effect Holzrahmen Profil Top Pro natuurlijke houtstructuur 50x100 cm kunstglas

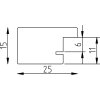
Natuurlijke houtstructuur, kantig minimalistisch profiel, 2,5 cm leestbreedte, 6-laags gelakt hout, kunstglas met breukbestendigheid, antireflexlaag, UV-bescherming, geschikt voor wandmontage, portret- en landschapformaten
Kleur 
Glastype 
Maat 

161,50 €
incl. 21% BTW , plus Verzending