Online sinds 2006 – Vertrouwde ervaring
Meer dan 100.000 artikelen – Groot assortiment
Levering uit eigen voorraad – Snelle verzending
Gratis verzending bij €150+

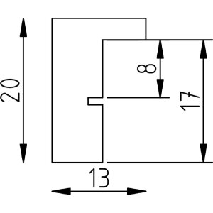
Effect Holzrahmen Profil neonblau 25x35 cm wanddecoratie houten lijst met acrylglaas

Massief houten profiel, neonblauwe kleur, leistenbreedte 1,3 cm, acrylglas met antireflexlaag en UV-bescherming, wandmontage, format 25x35 cm, modern minimalistisch design, duurzaam voor langdurige decoratie, opvallende aandachtspunt
Kleur 
Glassoort 
Lijstformaat 

46,45 €
incl. BTW , plus Verzending