Online sinds 2006 – Vertrouwde ervaring
Meer dan 100.000 artikelen – Groot assortiment
Levering uit eigen voorraad – Snelle verzending
Gratis verzending bij €120+

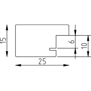
Effect Holzrahmen Profil 71 Eikenhout 50x65 cm met kunstglas

Massief eikenhout, lijstbreedte 2,5 cm, kunstglas met antireflexlaag en UV-bescherming, wandmontage-geïntegreerd, formaat 50x65 cm, echthoutfurnierkwaliteit, perfecte combinatie met Profil 70
Glastype 
Maat 

77,95 €
incl. 21% BTW , plus Verzending