Online sinds 2006 – Vertrouwde ervaring
Meer dan 100.000 artikelen – Groot assortiment
Levering uit eigen voorraad – Snelle verzending
Gratis verzending bij €120+

effect Holzrahmen Profil 54 Nußboom 40x50 cm houten fotolijst met museumglas

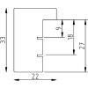
Houten fotolijst van gepleisterd hout, breedte leist 2,2 cm, museumglas met 70% UV-bescherming, perfect voor foto’s, posters en kunstwerken in landhuisstijl of shabby-chic
Kleur 
Soort Glas 
Maat 

152,70 €
incl. 21% BTW , plus Verzending