Online sinds 2006 – Vertrouwde ervaring
Meer dan 100.000 artikelen – Groot assortiment
Levering uit eigen voorraad – Snelle verzending
Gratis verzending bij €120+

Effect Holzrahmen Profil 54 Edel Nussboom 30x45 cm met Museumsglas

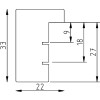
Massief houten lijst met nußhout-look, krassenbestendig museumsglas met UV-scherm, geschikt voor foto’s posters schilderijen 30x45 cm, Shabby Chic Landhausstijl, profiel 2,2 cm
Kleur 
Soort Glas 
Maat 

76,70 €
incl. 21% BTW , plus Verzending