Online sinds 2006 – Vertrouwde ervaring
Meer dan 100.000 artikelen – Groot assortiment
Levering uit eigen voorraad – Snelle verzending
Gratis verzending bij €150+

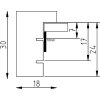
Effect Holzrahmen Profil 2430 Nussbaum 23x70 cm fotolijst met afstandsleer en klarglas

Massief eikenhout, natuurlijke textuur, modern ontwerp met scherpe hoeken, kleur Nussbaum gelakt, afstandsleer voor diepteeffect, klarglas, geschikt voor hoog- en breedformaat wandmontage
Kleur 
Glassoort 
Lijstformaat 

71,45 €
incl. BTW , plus Verzending