Online sinds 2006 – Vertrouwde ervaring
Meer dan 100.000 artikelen – Groot assortiment
Levering uit eigen voorraad – Snelle verzending
Gratis verzending bij €120+

Effect Holzbeeldframe Profil 45 Kiefern 35x50 cm met Museumglas

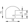
Massief kiefernholz profiel, natuurlijke oppervlakte, zichtbare houtstructuur, leistbreedte 1,8 cm, verglasd met museumglas, UV-bescherming 70%, wandmontage, klassieke en moderne interieurs
Soort glas 
Afmeting fotolijst 

77,75 €
incl. 21% BTW , plus Verzending