Online sinds 2006 – Vertrouwde ervaring
Meer dan 100.000 artikelen – Groot assortiment
Levering uit eigen voorraad – Snelle verzending
Gratis verzending bij €150+

Effect Fotolijst Profil 2430 Massief Eikenhout 45x80 cm Museumsglas

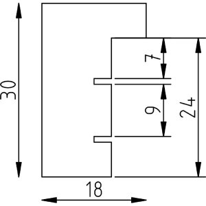
Massief eikenhout, 45x80 cm, lijstbreedte 1,8 cm, museumsglas met 70% UV-bescherming, geschikt voor wandmontage, modern design, natuurlijke textuur, authentieke uitstraling
Kleur 
Glassoort 
Lijstformaat 

270,50 €