Online sinds 2006 – Vertrouwde ervaring
Meer dan 100.000 artikelen – Groot assortiment
Levering uit eigen voorraad – Snelle verzending
Gratis verzending bij €120+

Effect Fotolijst 2319 zilver hoogglans 10x10 cm museumglas

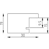
MDF-houten lijst met effect, breed blokprofiel, lijstbreedte: 2,9 cm
Kleur 
Type glas 
Lijstformaat 

32,00 €
incl. 21% BTW , plus Verzending