Online sinds 2006 – Vertrouwde ervaring
Meer dan 100.000 artikelen – Groot assortiment
Levering uit eigen voorraad – Snelle verzending
Gratis verzending bij €120+

Effect Blauwe Houten Fotolijst Profil Top Pro 50x60 cm Kunstglas

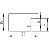
Houten fotolijst met massief hout, blauw gelakte 6-kante lak, kantig minimalistisch profiel 2,5 cm, kunstglas met UV-bescherming, hoge breukbestendigheid, anti-reflexlaag, geschikt voor wandmontage in hoog- en breedformaat
Kleur 
Glastype 
Maat 

86,00 €
incl. 21% BTW , plus Verzending