Online sinds 2006 – Vertrouwde ervaring
Meer dan 100.000 artikelen – Groot assortiment
Levering uit eigen voorraad – Snelle verzending
Gratis verzending bij €120+

Clayre & Eef houten fotolijst Profil 43 zilver 10x15 cm kunstglas

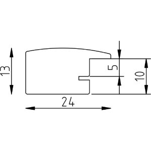
Houten fotolijst met zacht afgeronde hoeken, leistebreedte 2,4 cm, wandbevestiging en opstelvoet, bruchveilig kunstglas met UV-bescherming, foliërd zilver profiel
Kleur 
Soort glas 
Afmeting fotolijst 

23,60 €
incl. 21% BTW , plus Verzending