Online sinds 2006 – Vertrouwde ervaring
Meer dan 100.000 artikelen – Groot assortiment
Levering uit eigen voorraad – Snelle verzending
Gratis verzending bij €150+

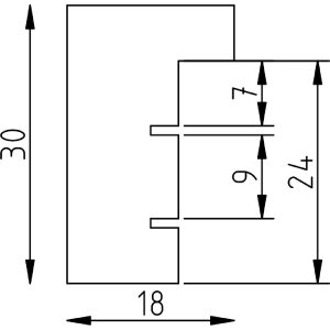
Clayre & Eef Eikenhout Fotolijst 10,5x14,8 cm Nussbaum Museumsglas

Massief eikenhout, Nussbaum kleur met professionele lak, middenbrede blokprofiel 1,8 cm, museumsglas met 70% UV-bescherming, geschikt voor staand en hangend gebruik
Kleur 
Glassoort 
Lijstformaat 

43,15 €
incl. BTW , plus Verzending