Online sinds 2006 – Vertrouwde ervaring
Meer dan 100.000 artikelen – Groot assortiment
Levering uit eigen voorraad – Snelle verzending
Gratis verzending bij €150+

Clayre & Eef Effect Holzrahmen Top Pro tannengroen 10,5x14,8 cm met antireflexglas

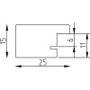
Massief hout met zichtbare structuur, scherp tannengroen profiel, antireflexglas, geschikt voor tafel of muur, 10,5x14,8 cm, 2,5 cm profielbreedte
Kleur 
Glastype 
Maat 

20,25 €
incl. BTW , plus Verzending