Online sinds 2006 – Vertrouwde ervaring
Meer dan 100.000 artikelen – Groot assortiment
Levering uit eigen voorraad – Snelle verzending
Gratis verzending bij €120+

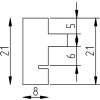
Effect Houten Fotolijst Profil 69 Goud 20x25 cm met Kunstglas

Effect Houten Fotolijst Profil 69 goud, 20x25 cm, scherp afgerond modern design, massief hout met goudfinish, bruchbestendig kunstglas met UV-scherm, perfect voor wandmontage
Kleur 
Glassoort 
Maat 

34,40 €
incl. 21% BTW , plus Verzending