Online sinds 2006 – Vertrouwde ervaring
Meer dan 100.000 artikelen – Groot assortiment
Levering uit eigen voorraad – Snelle verzending
Gratis verzending bij €120+

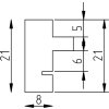
Effect Houten Fotolijst Profil 69 Goud 15x20 cm met Kunstglas

Modern houten fotolijst met goudkleurig profiel, brokvet kunstglas met UV-bescherming, geschikt voor staan of ophangen, formaat 15x20 cm
Kleur 
Glassoort 
Maat 

28,90 €
incl. 21% BTW , plus Verzending