Online sinds 2006 – Vertrouwde ervaring
Meer dan 100.000 artikelen – Groot assortiment
Levering uit eigen voorraad – Snelle verzending
Gratis verzending bij €120+

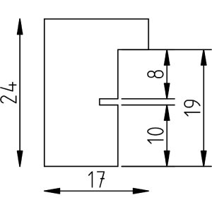
Effect Houten Fotolijst Massief Hout Anthraziet 45x60 cm Museumsglas UV-Beveiliging

Massief houten profiel, openporig zwart gelakt, museumsglas met 70% UV-bescherming, gestructureerde voorzijdefolie, inclusief ophanger voor wandmontage
Kleur 
Soort glas 
Lijstrmaat 

207,85 €
incl. 21% BTW , plus Verzending