Online sinds 2006 – Vertrouwde ervaring
Meer dan 100.000 artikelen – Groot assortiment
Levering uit eigen voorraad – Snelle verzending
Gratis verzending bij €150+

effect Bilderrahmen Profil 51 antikgold 20x20 cm Museumsglas

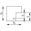
Antikgold 20x20 cm, Massivholzprofil, abgerundete Kanten, 1,6 cm Leistenbreite, Museumsglas für optimalen Bildschutz
Kleur 
Soort Glas 
Afmeting Fotolijst 

52,06 €
incl. BTW , plus Verzending
  • Onmiddellijk beschikbaar